SV 650ABS 2008MOTOR
Pos
Menge
Artikelnr
Bezeichnung
Preis
ANLASSER
NOCKENWELLE / VENTILE
OELKUEHLER
OELPUMPE
KRAFTSTOFFPUMPE
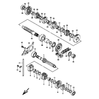
SCHALTGABEL / SCHALTWALZE
STEUERKETTE
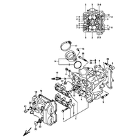
ZYLINDERKOPF VORNE
WASSERPUMPE
ZUENDUNG
ZYLINDER
ANLASSERKUPPLUNG
DICHTUNGSSATZ
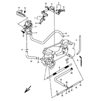
DROSSELKLAPPENGEHAEUSE
HALTERUNG DROSSELKLAPPE
GETRIEBE
ZYLINDERKOPF HINTEN
HYDRAULIK
KUEHLER
KUEHLERSCHLAEUCHE
KUPPLUNG
KURBELWELLENGEHAEUSE
KURBELWELLENGEHAEUSEDECKEL
KURBELWELLE / KOLBEN
LUFTFILTER
LUFTMEMBRANVENTIL