SV 650ABS 2008FAHRWERK
Pos
Menge
Artikelnr
Bezeichnung
Preis
AUFKLEBER
RAHMEN
SEITENVERKLEIDUNG
RUECKLICHT
BATTERIE
SCHEINWERFER
SCHEINWERFERMASKE
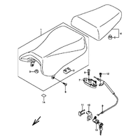
VERKLEIDUNG SITZBANK
SITZBANK
STAENDER / FUSSBREMSHEBEL
TACHOMETER
AUSPUFF
KRAFTSTOFFTANK
UMLENKUNG
VORDERRADGABEL
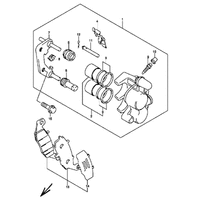
BREMSSATTEL VORNE
BLINKER
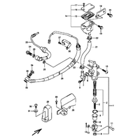
BREMSSCHLAUCH VORN
HAUPTBREMSZYLINDER VORNE
KOTFLUEGEL VORN
VORDERRAD
ELEKTRIK
HAUPTBREMSZYLINDER HINTEN
FUSSRASTE
GABELBRUECKE
GRIFFE / SCHALTER
GRIFFE / HEBEL / LENKERSCHALTER
BREMSSATTEL HINTEN
KOTFLUEGEL HINTEN
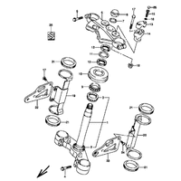
HINTERRADSCHWINGE
HINTERRAD
KABELBAUM
LENKER / BOWDENZUEGE
OPTIONAL