PW80 2009MOTOR
Pos
Menge
Artikelnr
Bezeichnung
Preis
ZYLINDER
KURBELWELLE & KOLBEN
OLPUMPE
EINLASS
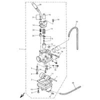
VERGASER
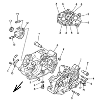
KURBELGEHAUSE
KURBELGEHAUSEDECKEL 1
ANLASSER
KUPPLUNG
GETRIEBE
SCHALTNOCKE & SCHALTGABEL
SCHALTWELLE & SCHALTPEDAL
OLTANK
LICHTMASCHINE