LT-Z 400 2012MOTOR
Pos
Menge
Artikelnr
Bezeichnung
Preis
DICHTUNGSSATZ
VENTILDECKEL
STEUERKETTE
DROSSELKLAPPENGEHAEUSE
LUFTFILTER
OELPUMPE
OELSCHLAUCH
KRAFTSTOFFPUMPE
WASSERPUMPE
KUEHLER
KUEHLERSCHLAEUCHE
KUPPLUNG
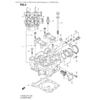
ZYLINDERKOPF
GETRIEBE
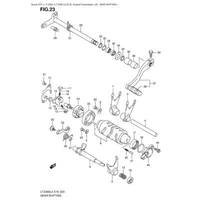
SCHALTWELLE / SCHALTGABEL / SCHALTWALZE
ANLASSER ELEKTRISCH
ZUENDUNG
ZYLINDER
KURBELWELLENGEHAEUSE
KURBELWELLENGEHAEUSEDECKEL
KURBELWELLE / KOLBEN
ANLASSERKUPPLUNG
AUSGLEICHSWELLE
NOCKENWELLE / VENTILE