LT 50 2000FAHRWERK
Pos
Menge
Artikelnr
Bezeichnung
Preis
AUSPUFF
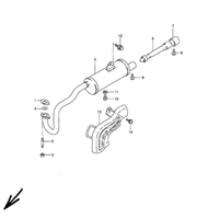
LENKER / BOWDENZUEGE
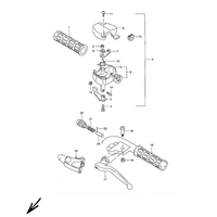
GRIFFE / LENKERSCHALTER
LENKER / HEBEL
LENKUNG
OPTIONAL
ELEKTRIK
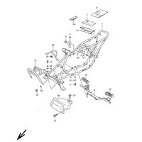
RAHMEN / FUSSRASTEN
SITZBANK
VORDERRAD
KOTFLUEGEL VORN
KOTFLUEGEL HINTEN
HINTERRAD
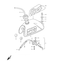
KRAFTSTOFFTANK