Quad
Street
Moto-Cross
Roller
0

VS 1400GLP 1997
MOTOR

Pos
Menge
Artikelnr
Bezeichnung
Preis
ANLASSER
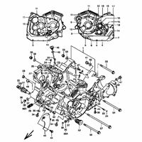
KURBELWELLENGEHAEUSE BIS RAHMEN-NR. 162132
KURBELWELLENGEHAEUSE BIS RAHMEN-NR. 175273
KURBELWELLENGEHAEUSE AB RAHMEN-NR. 175274
ANTRIEBSWELLE / ACHSANTRIEB
KURBELWELLENGEHAEUSE BIS RAHMEN-NR. 171959
KURBELWELLENGEHAEUSE AB RAHMEN-NR. 171960
KURBELWELLENGEHAEUSE BIS RAHMEN-NR. 181061
KURBELWELLENGEHAEUSE AB RAHMEN-NR. 181062
KURBELWELLENGEHAEUSE BIS RAHMEN-NR. 171565
KURBELWELLENGEHAEUSE AB RAHMEN-NR. 171566
ANLASSERKUPPLUNG
KURBELWELLENGEHAEUSEDECKEL BIS RAHMEN-NR. 175273
KURBELWELLENGEHAEUSEDECKEL AB RAHMEN-NR. 175274
KURBELWELLENGEHAEUSEDECKEL BIS RAHMEN-NR. 155401
KURBELWELLENGEHAEUSEDECKEL AB RAHMEN-NR. 155402
AUTOMATISCHE DEKOMPRESSION BIS RAHMEN-NR. 153688
KURBELWELLE / KOLBEN
NOCKENWELLE / VENTILE
OELKUEHLER BIS RAHMEN-NR. T2 101500
OELKUEHLER AB RAHMEN-NR. T2 101501
OELKUEHLER BIS RAHMEN-NR. T2 103201
GETRIEBE
OELKUEHLER AB RAHMEN-NR. T2 103202
OELPUMPE / BENZINPUMPE BIS RAHMEN-NR. 171553
OELPUMPE / BENZINPUMPE AB RAHMEN-NR. 171554
OELPUMPE / BENZINPUMPE BIS RAHMEN-NR. 162131
OELPUMPE / BENZINPUMPE AB RAHMEN-NR. 162132
AUTOMATISCHE DEKOMPRESSION AB RAHMEN-NR. 153689
OELPUMPE / BENZINPUMPE BIS RAHMEN-NR. T2 103201
OELPUMPE / BENZINPUMPE AB RAHMEN-NR. T2 103202
SCHALTWELLE / SCHALTHEBEL
SEKUNDAERANTRIEB
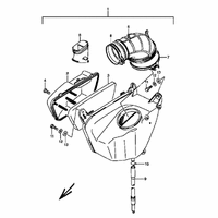
LUFTFILTER HINTEN
STEUERKETTE
UNTERDRUCKSENSOR
LUFTFILTER VORNE
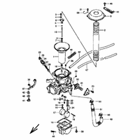
VERGASER VORNE
ZYLINDERKOPF VORNE BIS RAHMEN-NR. 153688
ZYLINDERKOPF VORNE AB RAHMEN-NR. 153689
AUTOMATISCHE DEKOMPRESSION BIS RAHMEN-NR. 171959
ZUENDUNG
ZYLINDER
AUTOMATISCHE DEKOMPRESSION AB RAHMEN-NR. 171960
VERGASER HINTEN
AUTOMATISCHE DEKOMPRESSION RAHMEN-NR. 171960 BIS 175525
AUTOMATISCHE DEKOMPRESSION AB RAHMEN-NR. 175526
DICHTUNGSSATZ
ZYLINDERKOPF HINTEN BIS RAHMEN-NR. 153688
ZYLINDERKOPF HINTEN AB RAHMEN-NR. 153689
KUPPLUNG
KUPPLUNGSZYLINDER

Variante auswählen

Für die Maschine VS 1400GLP sind unterschiedliche Ausstattungen vorhanden. Bitte wählen Sie ihre gewünschte Variante aus.

FARBE
Später entscheiden