MXU 700i EPS ABS T3b Quads / ATVFahrgestell
Pos
Menge
Artikelnr
Bezeichnung
Preis
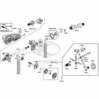
Kardanantrieb, Kardanwellen & Kreuzgelenke
Scheinwerfer
Tachometer
Lenker, Spiegel & Bowdenzüge
Hauptbremszylinder vo., Bremsschläuche & ABS Steuergerät
Verkleidungen vorne
Lenkung & Radaufhängung vorne
Räder vorne mit Bremse & Antriebswelle
Räder hinten mit Bremse & Antriebswelle
Sitz & Bordwerkzeug
Tank & Kraftstoffpumpe
Batterie
Verkleidungen hinten
Luftfilter
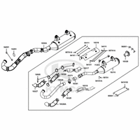
Auspuff
Hauptbremszylinder hinten, Schalthebel & Fußbremse
Radaufhängung hinten & Bremssattel Parkbremse
Blinker vorne
Rückleuchten & Kennzeichenleuchte
Kabelbaum, Elektrik & Schlosssatz
Rahmen & Gepäckträger
Aufkleber & Hinweis - Schilder
Aufkleber & Embleme
Kardangetriebe vorne
Einzelteile Antriebswelle
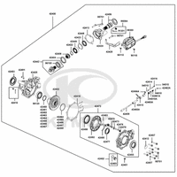
Kardangetriebe hinten