MXU 50 Quads / ATVFahrwerk
Pos
Menge
Artikelnr
Bezeichnung
Preis
Luftleitblech & Zylinderabdeckung
Scheinwerfer
Tachometer
Lenker, Gashebel, Spiegel & Bowdenzüge
Hauptbremszylinder vorne
Verkleidungen vorne
Lenkung
Räder vorne mit Bremse
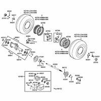
Räder hinten, Antrieb mit Bremse
Sitz & Bordwerkzeug
Tank & Benzinhahn
Batterie
Verkleidungen hinten & Trittbrett
Luftfilter & Gehäuse
Auspuff
Stossdämpfer, Querlenker & Schwinge
Blinker
Rücklicht
Elektrische Anlage & Schloß kpl.
Rahmen & Motorhalter
Hinweis - Schilder
Aufkleber