Heroism 50 Fzg. bis 50 ccmMotor
Pos
Menge
Artikelnr
Bezeichnung
Preis
Zylinder & Zylinderkopf
Lichtmaschine & Lüfter
Elektrischer Anlasser
Variomatik & Kickstarterwelle
Getriebe
Kurbelwellengehäuse & Ölpumpe
Kurbelwelle & Kolben
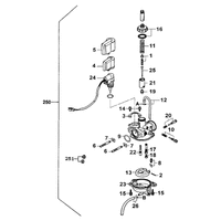
Vergaser
Öltank