Downtown 125i ABS Fzg. bis 125 ccmFahrwerk
Pos
Menge
Artikelnr
Bezeichnung
Preis
Fahrzeugansicht
Artikelnr: 30250173
Position: 4442
Teilenummer: 4264_4442
Menge: 1
Gesamtübersicht ET-Katalog
Artikelnr: 30250174
Position: 4443
Teilenummer: 4264_4443
Menge: 1
Scheinwerfer
Tachometer
Lenker, Spiegel & Bowdenzüge
Hauptbremszylinder vorne & Bremsschläuche
Verkleidungen vorne
Gabel
Gabel - Einzelteile
Vorderrad mit Bremse
Hinterrad mit Bremse
Sitz & Bordwerkzeug
Tank
Batterie
Helmfach & Verkleidung hinten
Luftfilter
Auspuff
Ständer
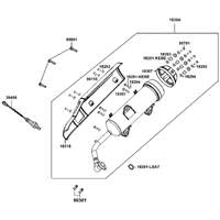
Stossdämpfer
Rücklicht & hintere Radabdeckung
Elektrische Anlage
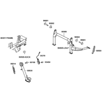
Rahmen
Aufkleber
Embleme