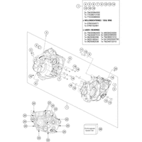
450 EXC-F 2026Motor
Pos
Menge
Artikelnr
Bezeichnung
Preis
MOTORGEHÄUSE
KUPPLUNGSDECKEL
AUSGLEICHSWELLE
ZYLINDER
KURBELWELLE, KOLBEN
KUPPLUNG
KUPPLUNGSARMATUR
GETRIEBE I - ANTRIEBSWELLE
GETRIEBE II - ABTRIEBSWELLE
SCHALTUNG
WASSERPUMPE
KÜHLSYSTEM
VENTILTRIEB
STEUERTRIEB
ZYLINDERKOPF
SCHMIERSYSTEM
ZÜNDANLAGE
ELEKTROSTARTER
DROSSELKLAPPEN- / DREHWALZENKÖRPER