390 DUKE, blue 2025Fahrwerk
Pos
Menge
Artikelnr
Bezeichnung
Preis
TELEGABEL, GABELBRÜCKE
LENKER, ARMATUREN
RAHMEN
AUSLEGER
FUSSRASTEN
SEITEN- / MITTELSTÄNDER
FEDERBEIN
SCHWINGARM
AUSPUFFANLAGE
LUFTFILTER
TANK, SITZBANK
KRAFTSTOFFPUMPE
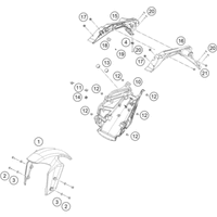
MASKE, KOTFLÜGEL
VERKLEIDUNG
VORDERRAD
HINTERRAD
KABELSTRANG
BATTERIE
BETÄTIGUNG VORDERBREMSE
BETÄTIGUNG HINTERBREMSE
BREMSZANGE VORNE
BREMSZANGE HINTEN
LICHTANLAGE
INSTRUMENTE / SCHLOSSSYSTEM
AKTIVKOHLEFILTER
MOTORGEHÄUSE
KUPPLUNGSDECKEL
AUSGLEICHSWELLE
ZYLINDER
KURBELWELLE, KOLBEN
KUPPLUNG
GETRIEBE I - ANTRIEBSWELLE
GETRIEBE II - ABTRIEBSWELLE
SCHALTUNG
WASSERPUMPE
KÜHLSYSTEM
VENTILTRIEB
STEUERTRIEB
ZYLINDERKOPF
SCHMIERSYSTEM
ZÜNDANLAGE
ELEKTROSTARTER
DROSSELKLAPPEN- / DREHWALZENKÖRPER
ABS