250 EXC 2023Fahrwerk
Pos
Menge
Artikelnr
Bezeichnung
Preis
TELEGABEL, GABELBRÜCKE
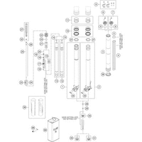
TELEGABEL ZERLEGT
LENKER, ARMATUREN
RAHMEN
SEITEN- / MITTELSTÄNDER
FEDERBEIN
FEDERBEIN ZERLEGT
SCHWINGARM
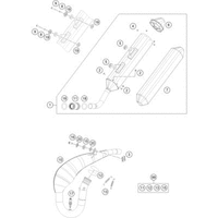
AUSPUFFANLAGE
LUFTFILTER
TANK, SITZBANK
KRAFTSTOFFPUMPE
MASKE, KOTFLÜGEL
DEKOR
VORDERRAD
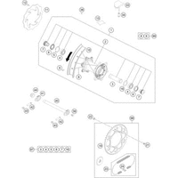
HINTERRAD
KABELSTRANG
BETÄTIGUNG VORDERBREMSE
BETÄTIGUNG HINTERBREMSE
BREMSZANGE VORNE
BREMSZANGE HINTEN
LICHTANLAGE
INSTRUMENTE / SCHLOSSSYSTEM
AKTIVKOHLEFILTER
BEIPACK
WP SCHEIBEN FÜR SETTING