250 EXC SIX DAYS TPI 2022Fahrwerk
Pos
Menge
Artikelnr
Bezeichnung
Preis
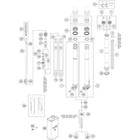
TELEGABEL, GABELBRÜCKE
TELEGABEL ZERLEGT
LENKER, ARMATUREN
RAHMEN
MOTORSCHUTZ
SEITEN- / MITTELSTÄNDER
FEDERBEIN
FEDERBEIN ZERLEGT
SCHWINGARM
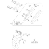
AUSPUFFANLAGE
LUFTFILTER
TANK, SITZBANK
KRAFTSTOFFPUMPE
MASKE, KOTFLÜGEL
DEKOR
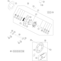
VORDERRAD
HINTERRAD
KABELSTRANG
BETÄTIGUNG VORDERBREMSE
BETÄTIGUNG HINTERBREMSE
BREMSZANGE VORNE
BREMSZANGE HINTEN
LICHTANLAGE
INSTRUMENTE / SCHLOSSSYSTEM
AKTIVKOHLEFILTER
BEIPACK
WP SCHEIBEN FÜR SETTING