250 Duke, white w-o ABS-B.D. 2020Fahrwerk
Pos
Menge
Artikelnr
Bezeichnung
Preis
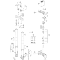
TELEGABEL, GABELBRÜCKE
KRAFTSTOFFPUMPE
MASKE, KOTFLÜGEL
DEKOR
VORDERRAD
HINTERRAD
KABELSTRANG
BETÄTIGUNG VORDERBREMSE
BETÄTIGUNG HINTERBREMSE
BREMSZANGE VORNE
BREMSZANGE HINTEN
LENKER, ARMATUREN
LICHTANLAGE
INSTRUMENTE / SCHLOSSSYSTEM
AKTIVKOHLEFILTER
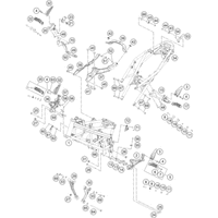
RAHMEN
SEITEN- / MITTELSTÄNDER
FEDERBEIN
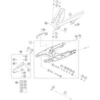
SCHWINGARM
AUSPUFFANLAGE
LUFTFILTER
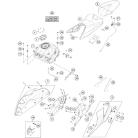
TANK, SITZBANK