500 EXC 2012MOTOR
Pos
Menge
Artikelnr
Bezeichnung
Preis
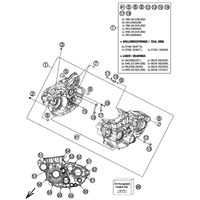
MOTORGEHAEUSE
ELEKTROSTARTER
DROSSELKLAPPENKOERPER
AUSGLEICHSWELLE
ZYLINDER
KURBELWELLE / KOLBEN
KUPPLUNG
GETRIEBE I - ANTRIEBSWELLE
GETRIEBE II - ABTRIEBSWELLE
KICKSTARTER
SCHALTUNG
KUPPLUNGSDECKEL
WASSERPUMPE
KUEHLSYSTEM
VENTILTRIEB
STEUERTRIEB
ZYLINDERKOPF
SCHMIERSYSTEM
ZUENDANLAGE