SUPER DUKE 990 ORANGE 2005FAHRWERK
Pos
Menge
Artikelnr
Bezeichnung
Preis
LICHTANLAGE
MASKE / KOTFLUEGEL
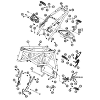
RAHMEN / AUSLEGER
SCHWINGARM
HINTERER BREMSSATTEL
SEITENSTAENDER
TACHO, DREHZAHLMESSER, ZUENDSCHLOSS
KRAFTSTOFFTANK / SITZBANK / ABDECKUNG
TELEGABEL
VORDERRAD
BREMSZANGE VORNE
BATTERIEKASTEN
DEKOR
STOSSDAEMPFER WP BAUSATZ
STOSSDAEMPFER WP
FUSSBREMSBETAETIGUNG
GABELBEINE WP
HANDBREMSZYLINDER
HINTERRAD
KABELBAUM
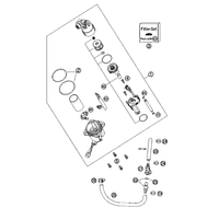
KRAFTSTOFFPUMPE
KRUEMMER / ENDSCHALLDAEMPFER
LENKER / ARMATUREN
ZUBEHOER
LUFTFILTERKASTEN