NINJA 250SL 2015FAHRWERK
Pos
Menge
Artikelnr
Bezeichnung
Preis
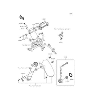
AUSPUFF
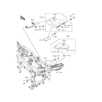
RAHMEN
MOTORAUFHÄNGUNG
RAHMENBEFESTIGUNG
SCHWINGENARM
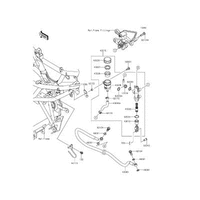
AUFHÄNGUNG/STOßDÄMPFER
FUßRASTE
SCHUTZBLECH VORNE
SCHUTZBLECH HINTER
STÄNDER
REIFEN
VORDERRAD
HINTERRAD
BREMSPEDAL
HAUPTBREMSZYLINDER VORDERRAD
VORDERRADBREMSE
HAUPTBREMSZYLINDER HINTER
HAUPTBREMSZYLINDER HINTER
LENKER
VORDERRADGABEL
BENZINTANK
SITZ
INSTRUMENTEN
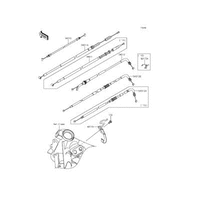
KABEL
SEITENVERKLEIDUNG/KETTENSCHUTZ
SCHEINWERFER
HECKLEUCHTE
BLINKER
GEHÄUSE ELEKTRIK
LABEL
AUFKLEBER(GRÜN)(WEIß)
AUFKLEBER(GRÜN)
VERKLEIDUNG
VERKLEIDUNG UNTER