KLF300 4x4 2001
ZUBEHÖR

WERKZEUG
LABEL(EU,UK)
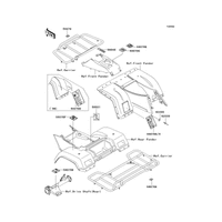
Pos Menge Artikelnummer Bezeichnung Farbe Größe Preis/Stk
WERKZEUG
LABEL(EU,UK)