neubert racing teile catalog 0
Anmelden Registrieren Filter
Moto-CrossQuadStreetRoller
neubert racing teile catalog
Anmelden Registrieren
Yamaha Logo ktm logo husqvarna logo gasgas logo
Moto-Cross
Quad
Street
Roller
0
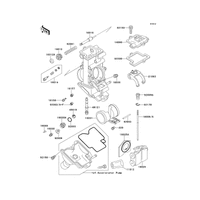
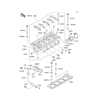
ZYLINDERKOPF
ZYLINDERKOPFDECKEL
ZYLINDER/KOLBEN
LUFTFILTER
VENTILE
NOCKENWELLE(SPANNER)
KURBELWELLE
GENERATORSCHACHT
KUPPLUNG
ANTRIEB
GANGSCHALTUNG/SCHALTGABEL
GANGSCHALTUNG
KURBELGEHÄUSE
KURBELGEHÄUSE/SCHRAUBENSCHEMA
MOTORDECKEL
ENTLÜFTUNGSDECKEL/ÖLWANNE
BENZINPUMPE
VERGASER
VERGASER TEILE
BESCHLEUNIGUNGSPUMPE
ÖLPUMPE
GENERATOR
ZÜNDSYSTEM
STARTER MOTOR
RADIATOR
ÖLKÜHLER
KUPPLUNGSHAUPTZYLINDER
ZÜNDSCHALTER
  1. Kawasaki
  2. 1993
  3. ZXR750R
  4. MOTOR

ZXR750R 1993
MOTOR

ZYLINDERKOPF
ZYLINDERKOPFDECKEL
ZYLINDER/KOLBEN
LUFTFILTER
VENTILE
NOCKENWELLE(SPANNER)
KURBELWELLE
GENERATORSCHACHT
KUPPLUNG
ANTRIEB
GANGSCHALTUNG/SCHALTGABEL
GANGSCHALTUNG
KURBELGEHÄUSE
KURBELGEHÄUSE/SCHRAUBENSCHEMA
MOTORDECKEL
ENTLÜFTUNGSDECKEL/ÖLWANNE
BENZINPUMPE
VERGASER
VERGASER TEILE
BESCHLEUNIGUNGSPUMPE
ÖLPUMPE
GENERATOR
ZÜNDSYSTEM
STARTER MOTOR
RADIATOR
ÖLKÜHLER
KUPPLUNGSHAUPTZYLINDER
ZÜNDSCHALTER
Pos Menge Artikelnummer Bezeichnung Farbe Größe Preis/Stk
ZYLINDERKOPF
ZYLINDERKOPFDECKEL
ZYLINDER/KOLBEN
LUFTFILTER
VENTILE
NOCKENWELLE(SPANNER)
KURBELWELLE
GENERATORSCHACHT
KUPPLUNG
ANTRIEB
GANGSCHALTUNG/SCHALTGABEL
GANGSCHALTUNG
KURBELGEHÄUSE
KURBELGEHÄUSE/SCHRAUBENSCHEMA
MOTORDECKEL
ENTLÜFTUNGSDECKEL/ÖLWANNE
BENZINPUMPE
VERGASER
VERGASER TEILE
BESCHLEUNIGUNGSPUMPE
ÖLPUMPE
GENERATOR
ZÜNDSYSTEM
STARTER MOTOR
RADIATOR
ÖLKÜHLER
KUPPLUNGSHAUPTZYLINDER
ZÜNDSCHALTER

Variante auswählen

Für die Maschine ZXR750R sind unterschiedliche Ausstattungen vorhanden. Bitte wählen Sie ihre gewünschte Variante aus.

Modell
Unternehmen
  • Impressum
  • Allgemeine Geschäftsbedingungen
Informationen
  • Cookie-Einstellungen
  • Widerruf
  • Widerruf-Formular
  • Datenschutz
  • Newsletter abbestellen
  • Altöl
  • Batterieverordnung
Mein Neubert-Racing
  • Meine Daten
  • Meine Bestellungen
  • mobile.de   Instagram
  • ktm hsq gasgas
Neubert Racing Shop
Inh. Nicky Neubert, Südstrasse 2, 04654 Frohburg, Deutschland
Telefon: 0049 (0) 34348 / 55 910 | eMail: info@neubert-racing.com
Beta
  • Moto-Cross
  • Roller
  • Street
GASGAS
  • Moto-Cross
  • Quad
  • Street
Husaberg
  • Moto-Cross
  • Street
Husqvarna
  • Moto-Cross
  • Street
KTM
  • Moto-Cross
  • Quad
  • Street
Kawasaki
  • Moto-Cross
  • Quad
  • Street
Sherco
  • Moto-Cross
  • Street