neubert racing teile catalog 0
Anmelden Registrieren Filter
Moto-CrossQuadStreetRoller
neubert racing teile catalog
Anmelden Registrieren
Yamaha Logo ktm logo husqvarna logo gasgas logo
Moto-Cross
Quad
Street
Roller
0
ZYLINDERKOPF
ZYLINDERKOPF
ZYLINDERKOPF
ZYLINDERKOPFDECKEL
ZYLINDERKOPFDECKEL
ZYLINDERKOPFDECKEL
ZYLINDER/KOLBEN
ZYLINDER/KOLBEN
ZYLINDER/KOLBEN
LUFTFILTER
LUFTFILTER
LUFTFILTER
VENTILE
VENTILE
VENTILE
NOCKENWELLE(SPANNER)
NOCKENWELLE(SPANNER)
NOCKENWELLE(SPANNER)
KURBELWELLE
KURBELWELLE
KURBELWELLE
KUPPLUNG
KUPPLUNG
KUPPLUNG
ANTRIEB
GANGSCHALTUNG/SCHALTGABEL
GANGSCHALTUNG/SCHALTGABEL
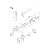
GANGSCHALTUNG
GANGSCHALTUNG/SCHALTGABEL
GANGSCHALTUNG
KURBELGEHÄUSE
GANGSCHALTUNG
KURBELGEHÄUSE
KURBELGEHÄUSE/SCHRAUBENSCHEMA
KURBELGEHÄUSE
KURBELGEHÄUSE/SCHRAUBENSCHEMA
MOTORDECKEL
KURBELGEHÄUSE/SCHRAUBENSCHEMA
MOTORDECKEL
VERGASER
MOTORDECKEL
VERGASER
VERGASER TEILE
VERGASER TEILE
ÖLPUMPE
VERGASER TEILE
GENERATOR
ÖLPUMPE
ZÜNDSYSTEM
ÖLPUMPE
GENERATOR
STARTER MOTOR
GENERATOR
ZÜNDSYSTEM
RADIATOR
ZÜNDSYSTEM
STARTER MOTOR
RADIATOR
ZÜNDSCHALTER
ZÜNDSCHALTER
ZÜNDSCHALTER
  1. Kawasaki
  2. 1993
  3. EL250
  4. MOTOR

EL250 1993
MOTOR

ZYLINDERKOPF
ZYLINDERKOPF
ZYLINDERKOPF
ZYLINDERKOPFDECKEL
ZYLINDERKOPFDECKEL
ZYLINDERKOPFDECKEL
ZYLINDER/KOLBEN
ZYLINDER/KOLBEN
ZYLINDER/KOLBEN
LUFTFILTER
LUFTFILTER
LUFTFILTER
VENTILE
VENTILE
VENTILE
NOCKENWELLE(SPANNER)
NOCKENWELLE(SPANNER)
NOCKENWELLE(SPANNER)
KURBELWELLE
KURBELWELLE
KURBELWELLE
KUPPLUNG
KUPPLUNG
KUPPLUNG
ANTRIEB
GANGSCHALTUNG/SCHALTGABEL
GANGSCHALTUNG/SCHALTGABEL
GANGSCHALTUNG
GANGSCHALTUNG/SCHALTGABEL
GANGSCHALTUNG
KURBELGEHÄUSE
GANGSCHALTUNG
KURBELGEHÄUSE
KURBELGEHÄUSE/SCHRAUBENSCHEMA
KURBELGEHÄUSE
KURBELGEHÄUSE/SCHRAUBENSCHEMA
MOTORDECKEL
KURBELGEHÄUSE/SCHRAUBENSCHEMA
MOTORDECKEL
VERGASER
MOTORDECKEL
VERGASER
VERGASER TEILE
VERGASER TEILE
ÖLPUMPE
VERGASER TEILE
GENERATOR
ÖLPUMPE
ZÜNDSYSTEM
ÖLPUMPE
GENERATOR
STARTER MOTOR
GENERATOR
ZÜNDSYSTEM
RADIATOR
ZÜNDSYSTEM
STARTER MOTOR
RADIATOR
ZÜNDSCHALTER
ZÜNDSCHALTER
ZÜNDSCHALTER
Pos Menge Artikelnummer Bezeichnung Farbe Größe Preis/Stk
ZYLINDERKOPF
ZYLINDERKOPF
ZYLINDERKOPF
ZYLINDERKOPFDECKEL
ZYLINDERKOPFDECKEL
ZYLINDERKOPFDECKEL
ZYLINDER/KOLBEN
ZYLINDER/KOLBEN
ZYLINDER/KOLBEN
LUFTFILTER
LUFTFILTER
LUFTFILTER
VENTILE
VENTILE
VENTILE
NOCKENWELLE(SPANNER)
NOCKENWELLE(SPANNER)
NOCKENWELLE(SPANNER)
KURBELWELLE
KURBELWELLE
KURBELWELLE
KUPPLUNG
KUPPLUNG
KUPPLUNG
ANTRIEB
GANGSCHALTUNG/SCHALTGABEL
GANGSCHALTUNG/SCHALTGABEL
GANGSCHALTUNG
GANGSCHALTUNG/SCHALTGABEL
GANGSCHALTUNG
KURBELGEHÄUSE
GANGSCHALTUNG
KURBELGEHÄUSE
KURBELGEHÄUSE/SCHRAUBENSCHEMA
KURBELGEHÄUSE
KURBELGEHÄUSE/SCHRAUBENSCHEMA
MOTORDECKEL
KURBELGEHÄUSE/SCHRAUBENSCHEMA
MOTORDECKEL
VERGASER
MOTORDECKEL
VERGASER
VERGASER TEILE
VERGASER TEILE
ÖLPUMPE
VERGASER TEILE
GENERATOR
ÖLPUMPE
ZÜNDSYSTEM
ÖLPUMPE
GENERATOR
STARTER MOTOR
GENERATOR
ZÜNDSYSTEM
RADIATOR
ZÜNDSYSTEM
STARTER MOTOR
RADIATOR
ZÜNDSCHALTER
ZÜNDSCHALTER
ZÜNDSCHALTER

Variante auswählen

Für die Maschine EL250 sind unterschiedliche Ausstattungen vorhanden. Bitte wählen Sie ihre gewünschte Variante aus.

Modell
Unternehmen
  • Impressum
  • Allgemeine Geschäftsbedingungen
Informationen
  • Cookie-Einstellungen
  • Widerruf
  • Widerruf-Formular
  • Datenschutz
  • Newsletter abbestellen
  • Altöl
  • Batterieverordnung
Mein Neubert-Racing
  • Meine Daten
  • Meine Bestellungen
  • mobile.de   Instagram
  • ktm hsq gasgas
Neubert Racing Shop
Inh. Nicky Neubert, Südstrasse 2, 04654 Frohburg, Deutschland
Telefon: 0049 (0) 34348 / 55 910 | eMail: info@neubert-racing.com
Beta
  • Moto-Cross
  • Roller
  • Street
GASGAS
  • Moto-Cross
  • Quad
  • Street
Husaberg
  • Moto-Cross
  • Street
Husqvarna
  • Moto-Cross
  • Street
KTM
  • Moto-Cross
  • Quad
  • Street
Kawasaki
  • Moto-Cross
  • Quad
  • Street
Sherco
  • Moto-Cross
  • Street