FC 450 2015Motor
Pos
Menge
Artikelnr
Bezeichnung
Preis
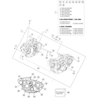
MOTORGEHÄUSE
KUPPLUNGSDECKEL
AUSGLEICHSWELLE
ZYLINDER
KURBELWELLE, KOLBEN
KUPPLUNG
GETRIEBE I - ANTRIEBSWELLE
GETRIEBE II - ABTRIEBSWELLE
SCHALTUNG
WASSERPUMPE
KÜHLSYSTEM
VENTILTRIEB
STEUERTRIEB
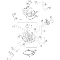
ZYLINDERKOPF
SCHMIERSYSTEM
ZÜNDANLAGE
ELEKTROSTARTER
DROSSELKLAPPEN- / DREHWALZENKÖRPER