WR 125 2006MOTOR
Pos
Menge
Artikelnr
Bezeichnung
Preis
ANLASSER
HILFSAUSRUESTUNG / BETRIEBSANLEITUNG
KUPPLUNG / ERSTER ANTRIEB
LUFTFILTER
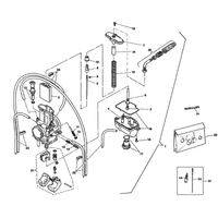
VERGASER
AUSLASSSTEUERUNG
WASSERKUEHLUNG
WECHSELGETRIEBE
ZYLINDERKOPF / ZYLINDER / KOLBEN / KURBELWELLE
ELEKTRISCHE AUSRUESTUNG
GANGSCHALTUNG
GEHAEUSE
GEHAEUSEDECKEL