WR 125 2005FAHRWERK
Pos
Menge
Artikelnr
Bezeichnung
Preis
ENDSCHALLDAEMPFER
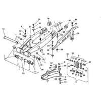
HINTERRAD
HINTERRADBREMSANLAGE
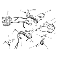
LENKER / ARMATUREN
PLASTIK / SITZBANK
RAHMEN
SCHWINGARM
STOSSDAEMPFER
BLINKER
TACHO
KRAFTSTOFFTANK
UMLENKUNG
VORDERRAD
VORDERE BREMSANLAGE
VORDERRADGABEL / STEUERKOPF
ELEKTRISCHE AUSRUESTUNG