FE 501 2014Fahrwerk
Pos
Menge
Artikelnr
Bezeichnung
Preis
TELEGABEL, GABELBRÜCKE
TELEGABEL ZERLEGT
LENKER, ARMATUREN
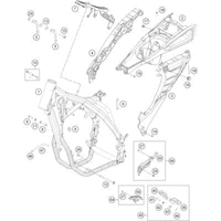
RAHMEN
MOTORSCHUTZ
SEITEN- / MITTELSTÄNDER
FEDERBEIN
FEDERBEIN ZERLEGT
SCHWINGARM
AUSPUFFANLAGE
LUFTFILTER
TANK, SITZBANK
KRAFTSTOFFPUMPE
MASKE, KOTFLÜGEL
DEKOR
VORDERRAD
HINTERRAD
KABELSTRANG
BETÄTIGUNG VORDERBREMSE
BETÄTIGUNG HINTERBREMSE
BREMSZANGE VORNE
BREMSZANGE HINTEN
LICHTANLAGE
INSTRUMENTE / SCHLOSSSYSTEM
BEIPACK
WP SCHEIBEN FÜR SETTING