neubert racing teile catalog 0
Anmelden Registrieren Filter
Moto-CrossQuadStreetRoller
neubert racing teile catalog
Anmelden Registrieren
Yamaha Logo ktm logo husqvarna logo gasgas logo
Moto-Cross
Quad
Street
Roller
0
KURBELGEHAEUSE
ELEKTRONISCHE ZUENDUNG
ZYLINDERKOPF / ANSAUGSTUTZEN
VENTILSTEUERUNG
KURBELWELLE / KOLBEN
VERGASER
KUEHLSYSTEM
KUPPLUNG
GETRIEBE
GANGSCHALTUNG
KICKSTARTER
OELPUMPE
  1. Beta
  2. 2013
  3. EVO 250 4T
  4. MOTOR

EVO 250 4T 2013
MOTOR

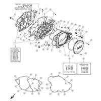
KURBELGEHAEUSE
ELEKTRONISCHE ZUENDUNG
ZYLINDERKOPF / ANSAUGSTUTZEN
VENTILSTEUERUNG
KURBELWELLE / KOLBEN
VERGASER
KUEHLSYSTEM
KUPPLUNG
GETRIEBE
GANGSCHALTUNG
KICKSTARTER
OELPUMPE
Pos Menge Artikelnummer Bezeichnung Farbe Größe Preis/Stk
KURBELGEHAEUSE
ELEKTRONISCHE ZUENDUNG
ZYLINDERKOPF / ANSAUGSTUTZEN
VENTILSTEUERUNG
KURBELWELLE / KOLBEN
VERGASER
KUEHLSYSTEM
KUPPLUNG
GETRIEBE
GANGSCHALTUNG
KICKSTARTER
OELPUMPE
Unternehmen
  • Impressum
  • Allgemeine Geschäftsbedingungen
Informationen
  • Cookie-Einstellungen
  • Widerruf
  • Widerruf-Formular
  • Datenschutz
  • Newsletter abbestellen
  • Altöl
  • Batterieverordnung
Mein Neubert-Racing
  • Meine Daten
  • Meine Bestellungen
  • mobile.de   Instagram
  • ktm hsq gasgas
Neubert Racing Shop
Inh. Nicky Neubert, Südstrasse 2, 04654 Frohburg, Deutschland
Telefon: 0049 (0) 34348 / 55 910 | eMail: info@neubert-racing.com
Beta
  • Moto-Cross
  • Roller
  • Street
GASGAS
  • Moto-Cross
  • Quad
  • Street
Husaberg
  • Moto-Cross
  • Street
Husqvarna
  • Moto-Cross
  • Street
KTM
  • Moto-Cross
  • Quad
  • Street
Kawasaki
  • Moto-Cross
  • Quad
  • Street
Sherco
  • Moto-Cross
  • Street