neubert racing teile catalog 0
Anmelden Registrieren Filter
Moto-CrossQuadStreetRoller
neubert racing teile catalog
Anmelden Registrieren
Yamaha Logo ktm logo husqvarna logo gasgas logo
Moto-Cross
Quad
Street
Roller
0
RAHMEN / STAENDER RAHMENNUMMER ZD3E20011B0000646-ZD3E20011B0000720
VORDERRADGABEL RAHMENNUMMER ZD3E20011C0000721-
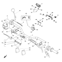
LENKER / BEDIENELEMENTE RAHMENNUMMER ZD3E20011B0000646-ZD3E20011B0000720
LENKER / BEDIENELEMENTE RAHMENNUMMER ZD3E20011C0000721-
BREMSANLAGE
AUSPUFFANLAGE
SCHEINWERFER / BLINKER
RAHMEN / STAENDER RAHMENNUMMER ZD3E20011C0000721-
ELEKTRISCHE AUSRUESTUNG
VORDERRAD RAHMENNUMMER ZD3E20011B0000646-ZD3E20011B0000720
VORDERRAD RAHMENNUMMER ZD3E20011B0000721-
HINTERRAD
VERKLEIDUNGEN / SITZ / KOTFLUEGEL
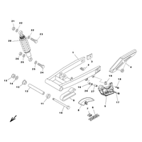
HINTERRADSCHWINGE
VORDERRADGABEL RAHMENNUMMER ZD3E20011B0000646-ZD3E20011B0000720
  1. Beta
  2. 2012
  3. RR 125 AC MOTARD
  4. FAHRWERK

RR 125 AC MOTARD 2012
FAHRWERK

RAHMEN / STAENDER RAHMENNUMMER ZD3E20011B0000646-ZD3E20011B0000720
VORDERRADGABEL RAHMENNUMMER ZD3E20011C0000721-
LENKER / BEDIENELEMENTE RAHMENNUMMER ZD3E20011B0000646-ZD3E20011B0000720
LENKER / BEDIENELEMENTE RAHMENNUMMER ZD3E20011C0000721-
BREMSANLAGE
AUSPUFFANLAGE
SCHEINWERFER / BLINKER
RAHMEN / STAENDER RAHMENNUMMER ZD3E20011C0000721-
ELEKTRISCHE AUSRUESTUNG
VORDERRAD RAHMENNUMMER ZD3E20011B0000646-ZD3E20011B0000720
VORDERRAD RAHMENNUMMER ZD3E20011B0000721-
HINTERRAD
VERKLEIDUNGEN / SITZ / KOTFLUEGEL
HINTERRADSCHWINGE
VORDERRADGABEL RAHMENNUMMER ZD3E20011B0000646-ZD3E20011B0000720
Pos Menge Artikelnummer Bezeichnung Farbe Größe Preis/Stk
RAHMEN / STAENDER RAHMENNUMMER ZD3E20011B0000646-ZD3E20011B0000720
VORDERRADGABEL RAHMENNUMMER ZD3E20011C0000721-
LENKER / BEDIENELEMENTE RAHMENNUMMER ZD3E20011B0000646-ZD3E20011B0000720
LENKER / BEDIENELEMENTE RAHMENNUMMER ZD3E20011C0000721-
BREMSANLAGE
AUSPUFFANLAGE
SCHEINWERFER / BLINKER
RAHMEN / STAENDER RAHMENNUMMER ZD3E20011C0000721-
ELEKTRISCHE AUSRUESTUNG
VORDERRAD RAHMENNUMMER ZD3E20011B0000646-ZD3E20011B0000720
VORDERRAD RAHMENNUMMER ZD3E20011B0000721-
HINTERRAD
VERKLEIDUNGEN / SITZ / KOTFLUEGEL
HINTERRADSCHWINGE
VORDERRADGABEL RAHMENNUMMER ZD3E20011B0000646-ZD3E20011B0000720

Variante auswählen

Für die Maschine RR 125 AC MOTARD sind unterschiedliche Ausstattungen vorhanden. Bitte wählen Sie ihre gewünschte Variante aus.

FARBE
Unternehmen
  • Impressum
  • Allgemeine Geschäftsbedingungen
Informationen
  • Cookie-Einstellungen
  • Widerruf
  • Widerruf-Formular
  • Datenschutz
  • Newsletter abbestellen
  • Altöl
  • Batterieverordnung
Mein Neubert-Racing
  • Meine Daten
  • Meine Bestellungen
  • mobile.de   Instagram
  • ktm hsq gasgas
Neubert Racing Shop
Inh. Nicky Neubert, Südstrasse 2, 04654 Frohburg, Deutschland
Telefon: 0049 (0) 34348 / 55 910 | eMail: info@neubert-racing.com
Beta
  • Moto-Cross
  • Roller
  • Street
GASGAS
  • Moto-Cross
  • Quad
  • Street
Husaberg
  • Moto-Cross
  • Street
Husqvarna
  • Moto-Cross
  • Street
KTM
  • Moto-Cross
  • Quad
  • Street
Kawasaki
  • Moto-Cross
  • Quad
  • Street
Sherco
  • Moto-Cross
  • Street