ALP 4 2009MOTOR
Pos
Menge
Artikelnr
Bezeichnung
Preis
VERGASER
ZYLINDERKOPF
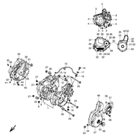
KURBELGEHAEUSE
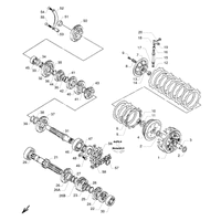
KURBELWELLE / KOLBEN
STEUERKETTE / VENTILE
KUPPLUNG / GETRIEBE
ZUENDUNG / OELPUMPE
SCHALTUNG
LUFTFILTER